您的位置:首页 > 汽车 > 时评 > 企业建站需要多少钱_crm系统公司有哪些_抖音优化公司_可以打广告的平台

企业建站需要多少钱_crm系统公司有哪些_抖音优化公司_可以打广告的平台

2026/1/22 11:19:59 来源:https://blog.csdn.net/wuquan_1230/article/details/146977840  浏览:    关键词:企业建站需要多少钱_crm系统公司有哪些_抖音优化公司_可以打广告的平台
企业建站需要多少钱_crm系统公司有哪些_抖音优化公司_可以打广告的平台

主板的minipcie接口最初是根据当时用的一款通信模组设计的,后来用RG200U-CN 5G模组测试发现接上后系统没反应,检测不到模组,驱动也测试没问题,后来查到是WAKEUP_IN引脚电压的问题。

引脚定义差异

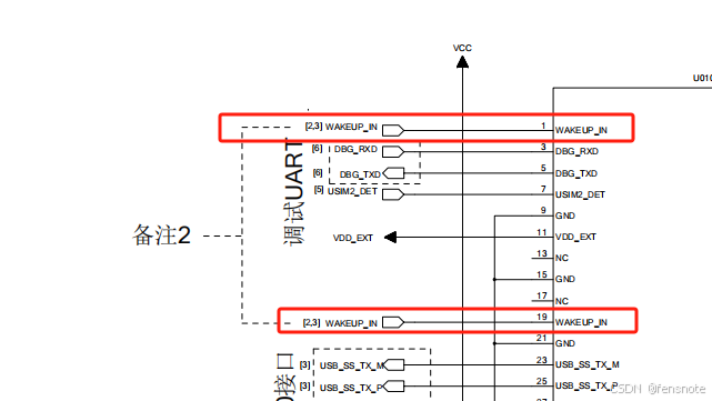
主板引minipcie图:
在这里插入图片描述
下面是RG200U-CN 5G模组硬件手册上的图:

在这里插入图片描述
下面是EC200N 4G模组的图:
在这里插入图片描述
原来主板直接接EC200N 4G模组是没问题的,EC200N的1引脚不是WakeUP-in,RG2200U-CN的1引脚和19引脚都是Wakeup-in,导致模组USB没有识别。
这里将主板上的1引脚上拉电阻去掉,就可以正常识别了。

版权声明:

本网仅为发布的内容提供存储空间,不对发表、转载的内容提供任何形式的保证。凡本网注明“来源:XXX网络”的作品,均转载自其它媒体,著作权归作者所有,商业转载请联系作者获得授权,非商业转载请注明出处。

我们尊重并感谢每一位作者,均已注明文章来源和作者。如因作品内容、版权或其它问题,请及时与我们联系,联系邮箱:809451989@qq.com,投稿邮箱:809451989@qq.com